+39.346.671.56.01 info@midomet.com

MiDoMet Temp Probe

MiDoMet Temp Probe is an integrated isolated type temperature sensor. The hermetically sealed case makes it suitable for a wide range of indicated measuring ranges and for immersion in most industrial liquids and oils.

MiDoMet Temp Probe is robust, easy to use, has compact dimensions, is lightweight and has excellent stability.

WHO IS IT FOR?

It can be used for temperature measurements in tanks, in networks or in the fields of process control of purification, electricity and water supply.

TECHNICAL FEATURES

- Simple installation.

- 316L stainless steel.

- Excellent stability over time and reduced consumption.

- Small dimensions and compact structure.


- Fast response and high precision.

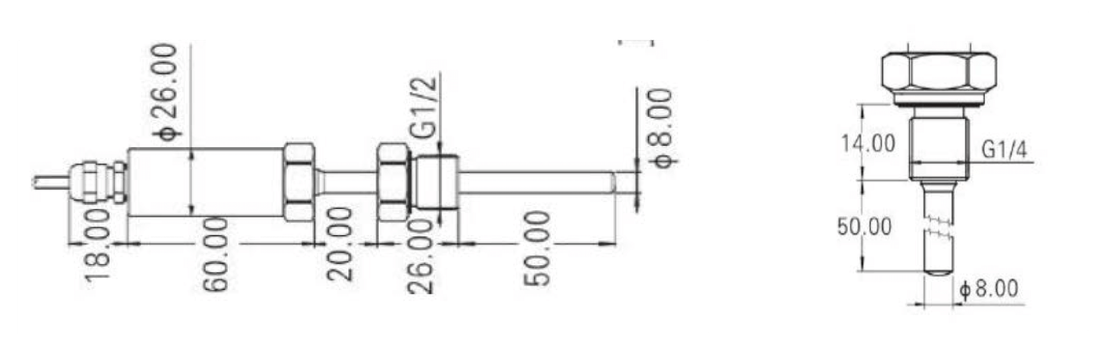
DATA SHEET

DIMENSIONS

PARAMETERS

Measure Range

0-250; 0-300;

Mounting

insertion

Sensor length

50 mm

Sensor diameter

6 mm

Linearity

±0.1%F.S.; ±0.25%F.S.;

Sensor type

PT100; PT1000

Long term stability

0.1% F.S ±

Working temperature

-40°C / 85°C

Storage temperature

-40°C / 125°C

Response time

T=50 2.3S; T=90 5.4S

Output

4 - 20 mA

Power

9 - 30 Vdc

Working pressure

> 100 M Ω @50V40Bar (standard); 300 Bar (opz)

Electrical protection

Reverse polarity protection; Surge protection

Material

316L Stainless Steel

Protection

IP 65

See other sensors and probes:

istanbul escort
Telelettura Smart metering
condominio

Devo monitorare solo i miei consumi

Devo ripartire i consumi di acqua e/o calore di tutti i condomini

midomet lora + lorawan gateway

MiDoMet LoRa
+
Gateway

Municipalizzata Utility company

Devo monitorare i contatori di un'area urbana

Devo monitorare serbatoi, pressione e livelli

Devo monitorare i consumi di grandi utenze

impresa

Devo monitorare solo i miei consumi (acqua, elettricità, calore)

Devo monitorare solo i miei consumi

Devo ripartire i consumi di acqua e/o calore di tutti i condomini

soluzione

midomet lora + lorawan gateway

MiDoMet Lora
+
MiDoMet LoRaWAN Gateway

Devo monitorare i contatori di un'area urbana

Devo monitorare serbatoi, pressione e livelli

Devo monitorare i consumi di grandi utenze

Devo monitorare solo i miei consumi (acqua, elettricità, calore)

soluzione